1. Giới thiệu chung

Van báo động kiểu tràn TDV-604 MN là thiết bị trung tâm trong hệ thống chữa cháy deluge system – hệ thống phun nước đồng loạt, được kích hoạt bằng điện, khí nén hoặc cảm biến khói/nhiệt. Khi được kích hoạt, toàn bộ hệ thống sẽ phun nước với cường độ lớn, nhanh chóng bao phủ khu vực cần bảo vệ.
Van được sử dụng phổ biến tại:
- Kho chứa hóa chất, xăng dầu, vật liệu dễ cháy nổ.
- Nhà xưởng có tải trọng cháy lớn, đám cháy lan nhanh.
- Khu vực có yêu cầu chữa cháy tức thời, đồng loạt.
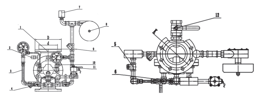
2. Cấu tạo chính

|
STT |
Tên bộ phận |
Vật liệu |
|
1 |
Thân van (Body) |
Gang dẻo (Ductile iron) |
|
2 |
Van xả tự động |
Đồng thau (Brass) |
|
3 |
Ống dẫn |
Thép mạ kẽm |
|
4 |
Van bi |
Đồng |
|
5 |
Van một chiều |
Đồng thau |
|
6 |
Bộ truyền động |
– |
|
7 |
Công tắc áp lực |
Nhôm |
|
8 |
Chuông nước (Hydraulic alarm) |
– |
|
9 |
Bộ lọc (Filter) |
Đồng thau |
|
10 |
Đồng hồ áp suất |
– |
|
11 |
Van điện từ (Solenoid valve) |
Đồng thau |
|
12 |
Van bi test |
Đồng thau |
Áp lực làm việc tối đa: 16 bar
Nhiệt độ làm việc: 0°C – 100°C
Kết nối: Mặt bích tiêu chuẩn EN 1092-2
3. Nguyên lý hoạt động
Hệ thống van kiểu tràn TDV-604 MN được chia thành 3 buồng chính:
- Buồng màng (Diaphragm chamber)
- Buồng làm việc (Working chamber)
- Buồng cấp nước (Inlet chamber)
Khi hệ thống ở trạng thái chờ:
- Áp suất giữa các buồng được cân bằng, van chính đóng kín.
Khi xảy ra cháy:
- Tín hiệu từ tủ điều khiển điện hoặc cảm biến khói/nhiệt được gửi đến van điện từ (solenoid valve).
- Van điện từ mở, làm giảm áp lực trong buồng màng, khiến màng chính mở ra.
- Nước từ buồng cấp chảy qua van và cấp đầy hệ thống đường ống, đồng thời kích hoạt chuông nước và công tắc áp lực, báo hiệu hệ thống đang hoạt động.
- Nếu cần, người vận hành có thể kích hoạt thủ công để mở van và xả nước dập lửa ngay lập tức.
4. Sơ đồ hệ thống và các thiết bị đi kèm
Một hệ thống van báo động kiểu tràn đầy đủ gồm các thành phần sau:
- Van báo động kiểu tràn TDV-604 MN
- Van điện từ (Solenoid valve)
- Chuông báo cháy bằng nước (Hydraulic alarm)
- Công tắc áp lực (Pressure switch)
- Bộ lọc (Filter)
- Van bi điều khiển (Ball valve)
- Van xả tự động
- Van một chiều (Check valve)
- Đồng hồ áp suất (Pressure gauge)
- Tủ điều khiển điện (Electric control cabinet)
- Hệ thống cảm biến khói/nhiệt
- Bể chứa và máy bơm nước chữa cháy
5. Quy trình lắp đặt
Bước 1. Chuẩn bị trước khi lắp đặt
- Kiểm tra hướng dòng chảy (Flow direction) được khắc trên thân van.
- Đảm bảo các mặt bích sạch, không gỉ sét, lắp đúng tiêu chuẩn EN 1092-2.
- Bố trí không gian đủ rộng để kiểm tra, bảo dưỡng sau này.
Bước 2. Lắp đặt van
- Kết nối van vào đường ống bằng mặt bích, sử dụng gioăng làm kín NBR.
- Siết bulông đều theo hình chữ thập để tránh lệch mặt bích.
- Cố định chắc chắn van trên giá đỡ hoặc khung thép.
Bước 3. Kết nối phụ kiện điều khiển và báo động
- Gắn van điện từ, công tắc áp lực, chuông nước và đồng hồ áp suất theo sơ đồ nhà sản xuất.
- Đảm bảo đường ống không rò rỉ và có độ dốc thoát nước.
- Kết nối dây điện tín hiệu từ công tắc áp lực về tủ điều khiển trung tâm.
Bước 4. Kiểm tra và chạy thử van xả tràn
- Kiểm tra độ kín của các khớp nối và mặt bích.
- Thử kích hoạt van bằng cả hai chế độ: điện tử (bằng van điện từ) và thủ công.
- Quan sát hoạt động của chuông nước, công tắc áp lực.
- Đặc biệt chú ý khi chạy thử van xả tràn cần khóa van cách ly đầu ra (van khóa lắp sau van xả tràn) & mở van test xả tràn số 12. Tránh tình trạng van bị lỗi ở chế độ mở làm hư hỏng thiết bị trong tòa nhà.
6. Bảo trì – kiểm tra định kỳ
- Kiểm tra hoạt động của van điện từ và công tắc áp lực hàng tháng.
- Làm sạch bộ lọc để đảm bảo áp lực ổn định.
- Kiểm tra rò rỉ và độ kín của toàn bộ hệ thống.
- Chạy thử định kỳ để bảo đảm hệ thống phản ứng nhanh khi có sự cố cháy.
7. Ghi chú kỹ thuật
- Van TDV-604 MN phù hợp cho cả hệ thống điều khiển bằng điện hoặc khí nén.
- Nên lắp van một chiều và lọc Y ở đầu vào để bảo vệ van khỏi tạp chất.
- Lắp đặt trong khu vực khô ráo, có mái che, tránh ánh nắng trực tiếp.
Nếu bạn đang tìm kiếm một giải pháp van tràn ngập cho hệ thống PCCC của mình hoặc cần được tư vấn chi tiết hơn về dòng van này, đừng ngần ngại liên hệ Đại Nam để được hỗ trợ nhanh chóng và chuyên nghiệp.
CÔNG TY CỔ PHẦN KHOA HỌC CÔNG NGHIỆP ĐẠI NAM
Địa chỉ: Tầng 3 - Khu dịch vụ văn phòng, Tòa Nhà An Bình 1, số 3 Trần Nguyên Đán, P. Phương Liệt, Hà Nội.
Hotline/ Zalo/ Viber: 0383478272
Email: thuhuyen@dainamco.vn
